欢迎您访问 四川莱特索斯光电科技有限公司 官方网站!
15681910030 / 17381689418
网站首页
公司概况
公司简介
企业文化
组织机构
产品展示
光有源系列
光无源系列
光链路解决方案
新闻动态
解决方案
联系我们
蝶形激光器
您所在的位置:
首页
>
产品展示
>
光有源系列
>
蝶形激光器
产品介绍
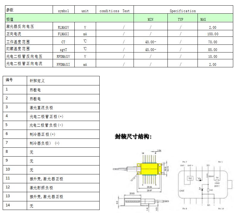
产品参数
分布反馈式特定波长激光器,输出光功率:>10.00mw
内置光隔离器, 带制冷的14脚蝶形外壳
尾纤类型:单模尾纤、900um紧套管,
尾纤长度:1.00+0.10m,
连接器类型:用户可选.
版权所有 © 四川莱特索斯光电科技有限公司 未经许可 严禁复制
Copyright © 2018 www.sc-lightsource.com All rights reserved.
地址:四川省绵阳市游仙经济开发区凯越路1号 电话:0816-5086613
蜀ICP备18013138号
网站建设:
动力网络
公司概况
公司简介
企业文化
组织机构
产品展示
光有源系列
光无源系列
光链路解决方案
新闻动态
解决方案
联系我们
莱特索斯光纤延迟线, 光纤延迟线认准莱特索斯自主研发生产及销售军工级品质,可定制0-100us或更大范围带衰减功能,性能优异连续可调延迟范围0-5000ps,典型延迟精度3.3fs最高可达阿秒级精度,典型损耗为0.6dB,消光比高达25dB 高速可调 手动可调 电动可调 插损极低 精度极高 指标极好 光学相干 稳频稳相 偏振测量 量子通信
莱特索斯光偏振控制器,高速光纤偏振控制器认准莱特索斯自主研发生产及销售,一键打满全邦加球,历遍全偏振态超高速响应,三环光偏振控制器波长200-2000nm,典型响应速度250khz军工品质性能优异,典型损耗为0.3dB,消光比高达50dB